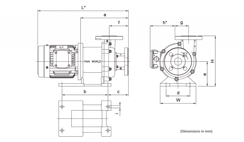
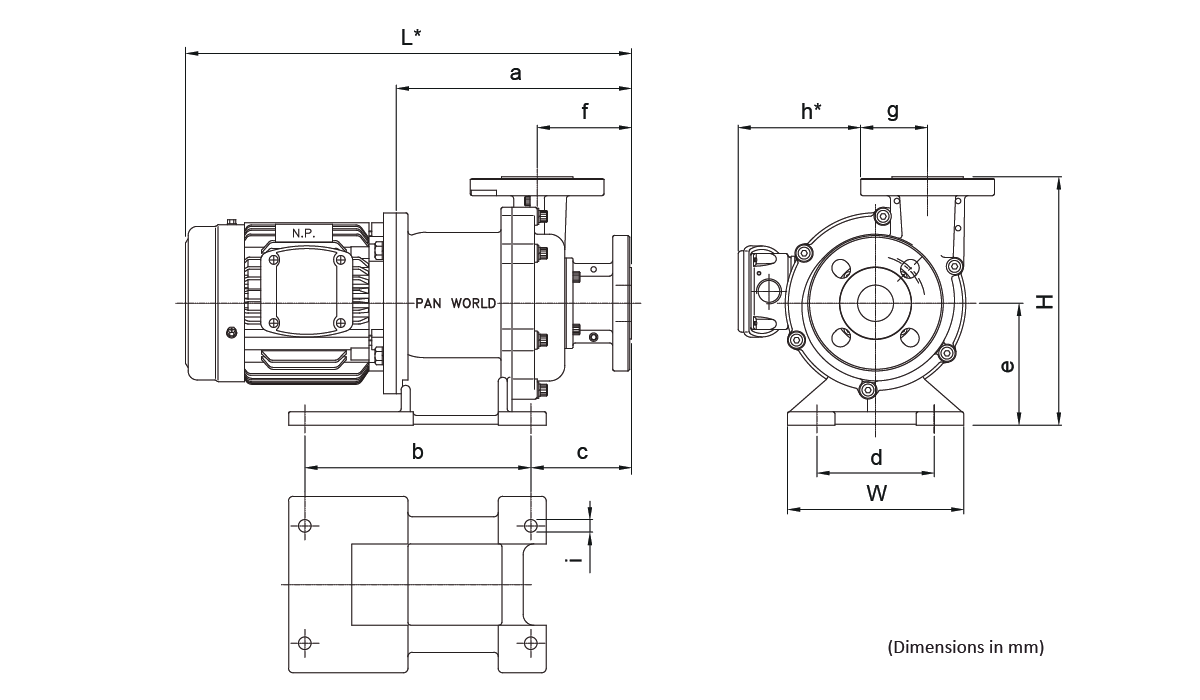
La serie PW-C está especialmente diseñada para aplicaciones industriales en entornos severos y condiciones ambientales exigentes. Su cuerpo interior de ETFE reforzado con una robusta carcasa de fundición de hierro proporciona una resistencia mecánica superior y una excelente tolerancia a altas temperaturas.
Esta construcción robusta hace que la bomba sea ideal para instalaciones exteriores o situaciones donde se requiera una alta durabilidad y fiabilidad. Los modelos pueden contar con certificación ATEX, garantizando su uso seguro en atmósferas potencialmente explosivas. Con un caudal de hasta 1500 L/min y una altura máxima de descarga de 44 metros, esta bomba combina potencia y resistencia para procesos industriales críticos.
La serie PW-C es apta para procesos industriales complejos como tratamiento de superficies (equipos PCB, grabado, solar, LED), filtración, procesos químicos, electrocardiografía, tratamiento de agua, transferencia química, procesamiento de alimentos, y aplicaciones en las industrias de semiconductores, baterías, papelera y farmacéutica.
© 2025 TDF Group
Usamos cookies para mejorar tu experiencia y procesar datos como navegación e identificadores. No aceptar puede limitar funciones.
We use cookies to improve your experience and process data like browsing and IDs. Not consenting may limit features.