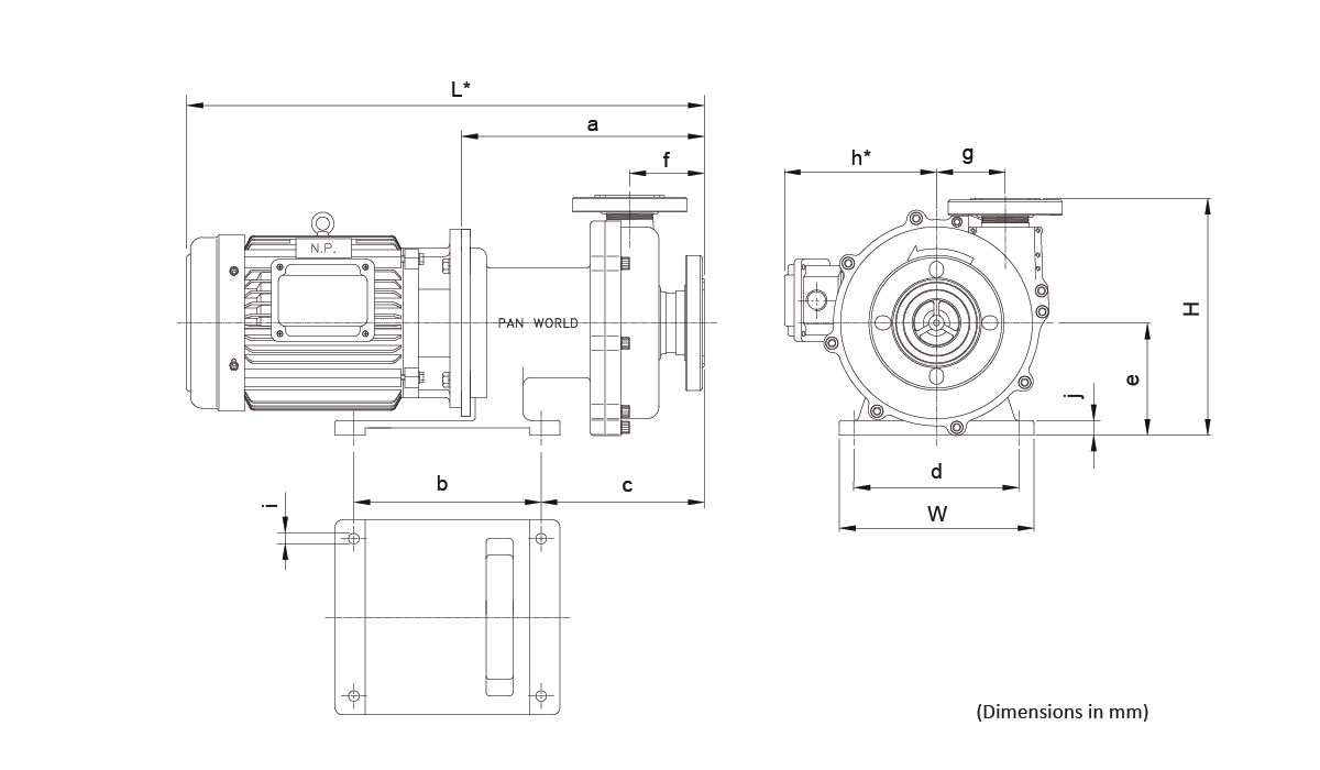
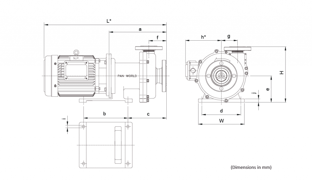
La serie PW-H está diseñada para ofrecer un rendimiento superior en aplicaciones industriales que requieren cabezales de alta elevación y manejo seguro de productos químicos agresivos. Fabricada en PPG y ETFE, esta bomba combina resistencia química avanzada con una capacidad hidráulica que permite alcanzar alturas de descarga de hasta 49 metros, ideal para procesos que demandan presión elevada y fiabilidad constante.
Los modelos en ETFE pueden certificarse bajo la normativa ATEX, facilitando su uso en zonas con atmósferas explosivas y garantizando los más altos estándares de seguridad industrial. Su diseño robusto y conexiones mediante bridas DIN o ANSI aseguran una integración sencilla y resistente en sistemas industriales complejos.
La serie PW-H es ampliamente utilizada en el tratamiento de superficies (equipos PCB, grabado, solar y LED), así como en procesos de filtración, química, electrocardiografía, tratamiento de agua y transferencia química. Es una solución clave en la industria de semiconductores, baterías, papelera, farmacéutica y procesamiento de alimentos, donde se requiere una bomba robusta y de alto rendimiento para entornos exigentes.
© 2025 TDF Group
Usamos cookies para mejorar tu experiencia y procesar datos como navegación e identificadores. No aceptar puede limitar funciones.
We use cookies to improve your experience and process data like browsing and IDs. Not consenting may limit features.