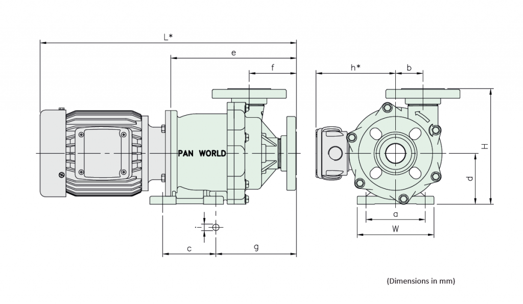
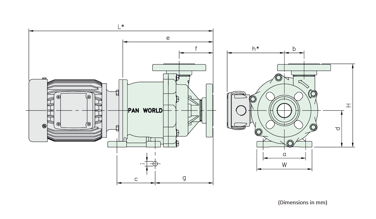
La serie PW está diseñada para ofrecer un rendimiento fiable y constante en entornos industriales donde la manipulación de productos químicos requiere la máxima seguridad. Su estructura robusta y su amplia gama de materiales —PPG, PVDF o ETFE— la hacen adecuada para trabajar con fluidos agresivos o corrosivos en aplicaciones de proceso, tratamiento o transferencia.
Con caudales de hasta 1400 L/min y una altura de descarga total de 34 m, esta serie combina eficiencia hidráulica, durabilidad y bajo mantenimiento, garantizando una operación continua incluso en las condiciones más exigentes. Además, los modelos fabricados en ETFE pueden incorporar certificación ATEX, lo que permite su uso en zonas con riesgo de explosión, asegurando el cumplimiento de los más altos estándares de seguridad industrial.
Tratamiento de superficies (equipos de PCB, equipo de grabado, equipo solar, equipo de LED), Filtro, Química, galvanoplastia electrostáticos, Tratamiento de agua, Procesamiento químico, Procesamiento de alimentos, Scrubber, Protector ambiental, Transferencia química, Microchip Manufacturing, Laboratorio, Industria del Papel, Farmacéutica
© 2025 TDF Group
Usamos cookies para mejorar tu experiencia y procesar datos como navegación e identificadores. No aceptar puede limitar funciones.
We use cookies to improve your experience and process data like browsing and IDs. Not consenting may limit features.